從廠區規劃、工藝設計、設備選型、設備制作、設備安裝、試運行直至交付正式投產,濰坊隆福全程跟蹤服務
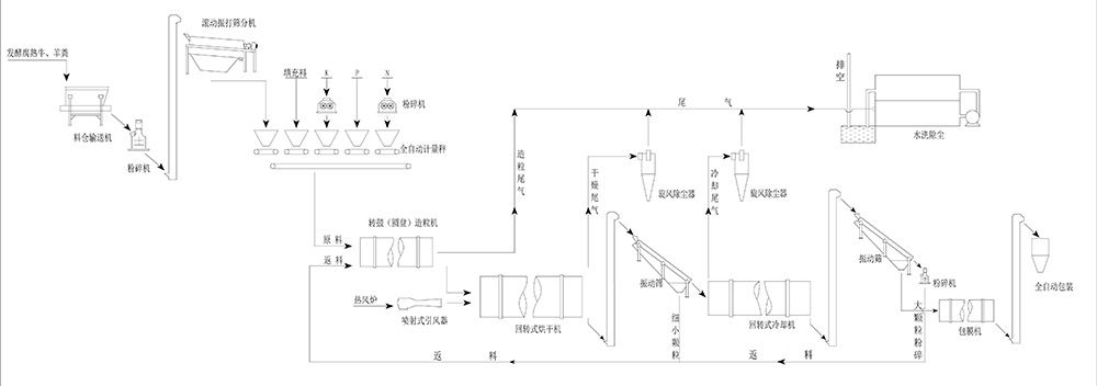
1、利用發酵腐熟羊(牛)糞生產生物有機工藝流程圖

2、腐熟羊(牛)糞進入生產線
|
|
3、腐熟羊(牛)糞預粉碎、篩選(造粒前腐熟料精選,粒徑要求≤1.00mm)
|
|
4、精選腐熟羊(牛)糞進入自動計量裝置、其他填充料進入相應的計量裝置稱重
|
|
5、稱重后物料進入攪拌系統、送入造粒(可選圓盤造粒、轉鼓造粒、擠壓造粒等任意一種造粒方式)
|
|
6、圓盤造粒安裝細節圖
|
|
7、成球后顆粒送入回轉式烘干機(彎管式振打裝置防黏壁)、進入熱篩分(只篩分不合格的小顆粒,顆粒直徑≤2.00mm)
|
|
8、回轉式烘干機、回轉式冷卻機安裝細節
|
|
9、冷卻機后肥料進入成品篩分機篩選顆粒、進入包菌機(生產生物有機肥專用)
|
|
10、成品進入全自動包裝秤稱重、包裝、入庫銷售
|
|
11、生產線控制室(隔離)、成品生物有機肥顆粒
|
|
12、采用條垛式堆肥發酵工藝(也可采用槽式或罐式發酵工藝)
|
|
13、發往安裝現場的照片
|
|
14、設備就位現場
|
|
15、土建施工現場(我公司親臨現場指導作業)
| ![]() |
16、設備基礎制作完成
|
|
牛羊糞屬于纖維類的原料,較難造粒,造粒關鍵點是要調整好物料細度及物料粘度。
圓盤造粒工藝指標要求:
1、 原料細度。發酵、腐熟、陳化后的牛、羊、雞糞等原料細度≤100目。
2、 造粒。初投料造粒時好有≤1mm的粉狀返料作為母料參與造粒;造粒中要充分利用物料自身的粘力使物料在圓盤的旋轉運動中成粒。
3、 投料。投料量大時,物料在圓盤中滾動時間短,成球顆粒太小且顆粒比較脆弱,成品率低易粉化。投料量小時容易出現大顆粒。
4、 造粒傾角。圓盤造粒機角度在45~55°可任意調整。
產品執行標準:生物有機肥NY884-2012
項 目 | 粉 劑 | 顆 粒 |
有效活菌數(cfu),億/g ≥ | 0.20 | 0.20 |
有機質(以干基計),% ≥ | 40.0 | 40.0 |
水分,% ≤ | 30.0 | 30.0 |
PH值 | 5.5~8.5 | 5.5~8.5 |
大腸桿菌群數,個/g(ML) ≤ | 100 | 100 |
蛔蟲卵死亡率,% ≥ | 95 | 95 |
有效期,月 ≥ | 6 | 6 |
網址:www.lizaiwu.cn
聯系方式:王總13953699265
孫總 18263637732
| 上一條:8萬噸牛(羊)糞粉狀生物有機肥 | 下一條:罐式發酵 |



































